随着LED在性能及成本几乎各个方面的持续改进,LED照明正在用于越来越宽的应用领域,其中LED街灯就是业界关注的一个焦点。安森美半导体身为应用于高能效电子产品的首要高性能硅方案供应商,针对各类LED照明应用提供丰富的驱动器、稳压器/稳流器,及通信、光传感器、MOSFET、整流器、保护、滤波器及热管理产品等完整方案。本文将介绍一款用于LED街灯等应用的28V、3.3A的离线高功率因数LED驱动器设计。这设计基于安森美半导体的NCL30001 LED驱动器及NCS1002恒压恒流控制器,采用90-265V交流电压供电,提供最大90W的输出功率,具有高功率因数,同时符合相关谐波含量标准,并能够配合脉宽调制(PWM)调光。
单段拓扑结构LED驱动器+次级端CVCC控制器组合
NCL30001是一种单段拓扑结构LED驱动方案,其灵活的特性非常适合应用于新的LED照明产品。这款采用单段集成功率因数校正(PFC)和隔离型降压交流-直流(AC-DC)电源转换的离线式LED驱动器省去了专用PFC升压段,可以减少元件数量,降低方案成本,配合提高LED电源系统总能效,用于LED街灯、低顶灯、外墙灯和建筑物照明等应用。
NCL30001采用连续导电模式(CCM)工作,这种方案集成了PFC和隔离型DC-DC转换电路,并提供恒定电流来直接驱动LED。它相当于将AC-DC转换与LED驱动两部分电路整合在一起,均位于照明灯具内,省去了LED光条中集成的线性或DC-DC转换器。这种整体式方案的电源转换段更少,减少元器件使用数量(如光学元件、LED、电子元件及印制电路板等),降低系统成本,并支持更高的LED电源总体能效。当然,这种方案的功率密度更高,可能并不适合所有区域照明应用,其光学图案可能更适合较低功率的LED,典型应用包括LED街灯、外墙灯、洗墙灯及电冰箱箱体照明等。
NCL30001控制器的其他规格特性还包括高压启动电路、电压前馈以改善环路响应、输入欠压检测、内部过载定时器、闩锁输入,以及减少输入线路谐波的高精度乘法器。安森美半导体还提供这器件的隔离型单段功率因数校正LED驱动器评估板,用于要求直接恒流输出的40-100W功率范围的应用。电流可在0.7-1.5A之间调节,配合更宽范围的大功率高亮度LED。
NCS1002是一款次级端恒压恒流(CVCC)控制器,适合LED街灯等区域照明应用,配合NCL30001控制器更可以设计出高功效、具有调光功能的LED驱动器演示板。
基于NCL30001和NCS1002的90W演示板
为了帮助工程师尽快实施照明设计,安森美半导体还提供90W恒压恒流演示板,它可接受90-265Vac的扩展通用输入电压(更换元件条件下可支持305Vac),提供0.7-1.5A的恒定电流输出范围及30-55V的恒定输出电压范围(可通过电阻分压器来选择),最大输出功率90W,支持50-1,000Hz调光控制,并包含可连接至可选调光卡的6引脚接口,用于模拟电流调节/双亮度等级数字调光等智能调光应用。此外,这款演示板还提供短路保护、开路保护、过温保护、过流保护及过压保护等丰富保护特性。测试显示,这演示板在50W输出功率、1,000mA输出电压/48V正向压降条件的能效高于87%,在50-100%负载条件下功率因数高于0.9,同时符合IEC61000-3-2 C类设备谐波含量标准。

图1:演示板顶视图
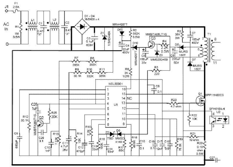
由于这种设计可以有标准NCL30001评估板(50V2A)相媲美的功率水平,电路原理的变化在于变压器的设计,以及基于NCS1002的恒定电流/恒定电压次级侧控制电路。图2所示为初级侧电路。这个设计的反激变压器源于原有设计的次级绕组,可以满足新的最高电压和电流要求。初级绕组所需的电感和整体结构基本上相同。277VAC输入可以利用适当的额定电压来改变EMI输入滤波器的“X”和“Y”电容器。

图2:NCL30001 CVCC 90W演示板初级侧原理图
使用NCL30001连续导通模式功率因数校正单段反激式控制器,可以实现高架、隧道、停车场和道路照明等区域照明应用的恒定电流LED驱动器。这种特殊设计是针对需要大于3A的驱动能力的LED而优化的,如Luminus Devices公司的CSM360和SST90。这种设计可以支持多达8个SST90串联或2个CSM360器件。CSM360 LED在驱动电流为3.2A条件下标称正向电压为12.8V,这取决于色温和光通量可以产生1600-3900流明。
次级侧控制电路如图3所示。在本设计中,输出电压是由一个电阻率确定的,输出电流也是基于一个电阻率设置的。因此,只有两个电阻需要改变:一个是输出电压分压器R34,另一个是电流设置电路的一部分的R32。此外,由于输出电压较低而输出电流较高,增加了输出电容,同时降低了电容器的额定电压。

图3:次级侧原理图
利用这个电路可以实现具有PWM调光输入和可选调光卡的30Vout LED驱动器CVCC次级检测。
总结
高能效照明正在成为业界竞逐的一个焦点。本文重点介绍安森美半导体针对LED街灯应用的90W LED驱动器设计,这设计提供高功率因数,符合IEC61000-3-2 C类设备谐波含量标准,并能配合PWM调光。客户利用安森美半导体的高能效产品及参考设计,能够加快产品上市进程。
参考资料:
1、NCL30001, NCS1002: Up to 28V, 3.3A Constant Current Offline High PF LED Driver,www.onsemi.cn/pub/Collateral/DN06068.PDF.